SUN Serie FLeX SUN Model FREP Einschraubbohrung T-17A
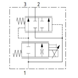
Danfoss Model PFC10-PO Einschraubbohrung SDC10-3
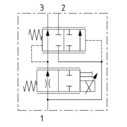
Danfoss Model PFC10-PC Einschraubbohrung SDC10-3